판매가
0
원
브랜드
삼양감속기
원산지
국내
규격
WU-77
상품번호
15120916
제품무게
15.39Kg
단위
1 EA
길이
26Cm
제품의 유형(평형, 수직형)과축의 타입(상형, 하형)을 꼭 확인하세요


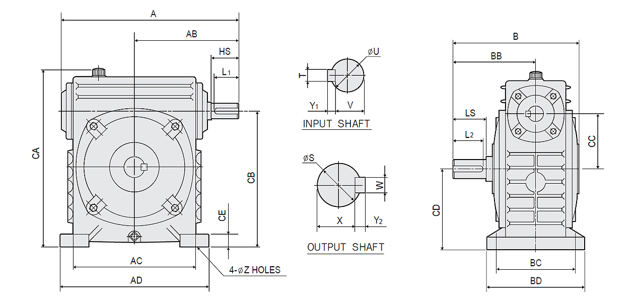
| FRAME NO. | GEAR RATIO | A | AB | AC | AD | B | BB | BC | BD | CA | CB | CC | CD | CE | ||||||
| U-77 | 1/10 | 1/15 | 1/20 | 1/30 | 1/40 | 1/50 | 1/60 | 255 | 152 | 165 | 200 | 210 | 134 | 125 | 155 | 260 | 198 | 77 | 121 | 20 |
| Z | HS | LS | L1 | L2 | INPUT | OUTPUT | ||||||
| U | T | Y1 | V | S | W | Y2 | X | |||||
| 13 | 45 | - | 40 | 50 | 23 | 7 | 7 | 19 | 30 | 7 | 7 | 26 |

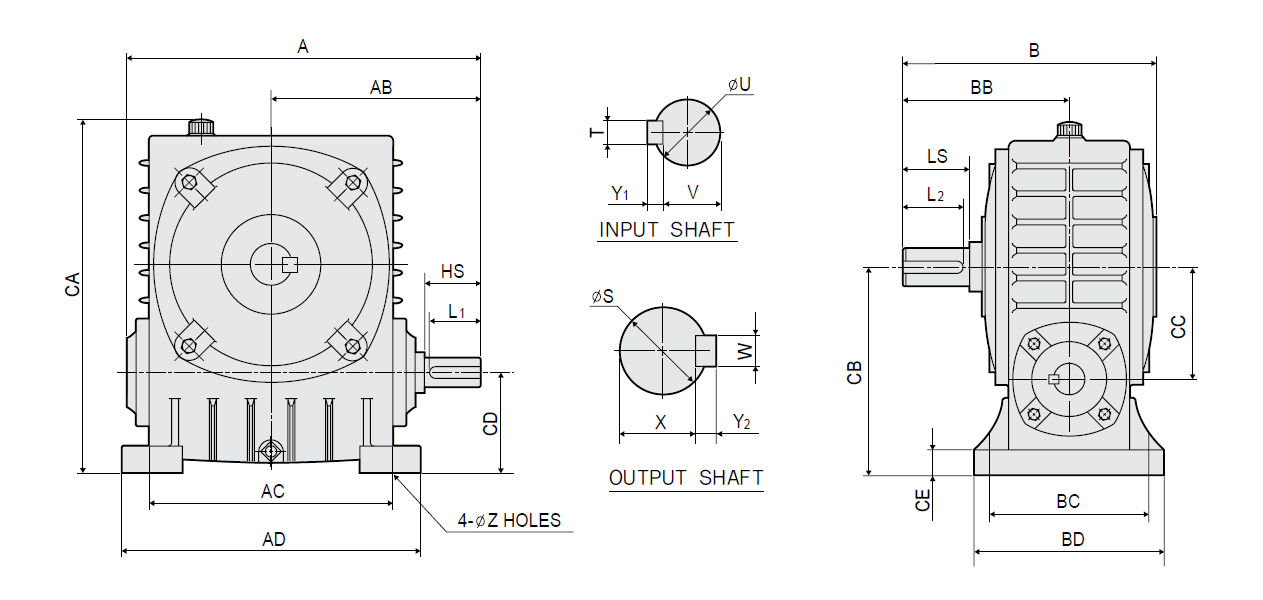
| FRAME NO. | GEAR RATIO | A | AB | AC | AD | B | BB | BC | BD | CA | CB | CC | CD | CE | ||||||
| B-49 | 1/10 | 1/15 | 1/20 | 1/30 | 1/40 | 1/50 | 1/60 | 265 | 152 | 165 | 200 | 210 | 134 | 125 | 155 | 260 | 150 | 77 | 73 | 20 |
| Z | HS | LS | L1 | L2 | INPUT | OUTPUT | ||||||
| U | T | Y1 | V | S | W | Y2 | X | |||||
| 13 | 45 | - | 40 | 50 | 23 | 7 | 7 | 19 | 30 | 7 | 7 | 26 |

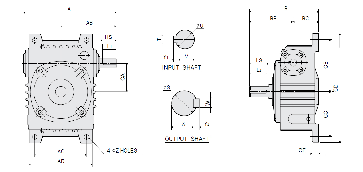
| FRAME NO. | GEAR RATIO | A | AB | AC | AD | B | BB | BC | BD | CA | CB | CC | CD | CE | ||||||
| V-77 | 1/10 | 1/15 | 1/20 | 1/30 | 1/40 | 1/50 | 1/60 | 265 | 152 | 125 | 170 | 205 | 134 | 71 | - | 77 | 153 | 107 | 300 | 17 |
| Z | HS | LS | L1 | L2 | INPUT | OUTPUT | ||||||
| U | T | Y1 | V | S | W | Y2 | X | |||||
| 13 | 45 | - | 40 | 50 | 23 | 7 | 7 | 19 | 30 | 7 | 7 | 26 |













